Выключатель автоматический А 3716 ФУЗ
А 3716 А 3722 А 3726
ТРЕХПОЛЮСНЫЕ АВТОМАТИЧЕСКИЕ ВЫКЛЮЧАТЕЛИ типа А 3716, А 3726
А 3716, А 3726 - автоматические выключатели предназначенные для проведения тока в нормальном режиме отключения тока при коротких замыканиях и перегрузках, а также для нечастых оперативных включений и отключений электрических цепей.
А 3716 (Ф), А 3726 Н (Ф) - трехполюсные, токоограничивающие с электромагнитными и тепловыми расцепителями.
А 3716 Б, А 3726 Б - трехполюсные, токоограничивающие с электромагнитными и тепловыми расцепителями.
А 3714 Б (С), А 3724 Б (С) - трехполюсные, токоограничивающие с полупроводниковыми и электромагнитными расцепителями.
С - означает селективный выключатель (т. е. с выдержкой времени в зоне короткого замыкания).
Степень защиты от воздействия окружающей среды и от соприкосновения с токоведущими частями:
IP30 - выключателя
IP00 - зажимов для присоединения внешних проводников.
· Конструкция:
выключатели выпускаются в стационарном и выдвижном исполнении, с электромагнитным и ручным приводом. При необходимости встраиваются следующие дополнительные сборные единицы: независимый расцепитель, нулевой расцепитель, свободные контакты. Присоединение внешних проводников к контактам главной цепи - переднее заднее. · Масса:
А 3716 - 6 ¸ 8,5 кг.
А 3726 - 8,0 ¸ 10,5 кг.
Основные технические характеристики автоматов типа А 3716, А 3726
|
Тип выключателя |
Род тока |
Номин. напряж., В |
Номинальный ток, А |
Уставка по току сраб., А |
Предельно-
| ||
|
элекгромаг.
|
теплового
|
электромаг.
|
теплового
| ||||
|
А 3716Б |
перемен-
|
660/380 |
160 |
16 ¸ 160 |
630; 1600 |
18 ¸ 185 |
5,0 ¸ 75 |
|
А 3726Н(Ф) |
перемен-
|
660/380 |
160 |
16 ¸ 160 |
630; 1600 |
18 ¸ 185 |
5,5 ¸ 25 |
|
А 3726Б |
перемен-
|
660/380 |
250 |
160 ¸ 250 |
2500 |
185 ¸ 290 |
40 ¸ 75 |
|
А 3726Н(Ф) |
перемен-
|
660/380 |
250 |
160 ¸ 250 |
2500 |
185 ¸ 290 |
35 |
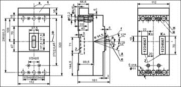
Габаритные, установочные и присоединительные размеры выключателей стационарного исполнения с ручным приводом типа А 371..

1 - козырек; 2 - колодки зажимные;
а - вертикальная ось; б - горизонтальная ось; в - включено;
г - отключено автоматически; д - взвод; е - отключено вручную;
ж - отверстия для установки зажимов; и - отверстия для крепления выключателя при переднем и комбинированном присоединениях.
← Назад в раздел




